A ruggedized industrial touch terminal designed for harsh environments and high-density device integration. Built on Raspberry Pi CM5 architecture, it combines wide voltage input, multi-protocol interfaces, and industrial-grade protection to deliver reliable control and data interaction platforms for smart manufacturing, energy monitoring, rail transportation, and other mission-critical applications.
Explore in-depth reviews and coverage of ED-HMI3010 by leading international media outlets! Click the links to learn more:
CNX Software Industria Embebidahoy Raspberry ME
Core Advantages
| Module | Highlights | Key Specifications/Technologies |
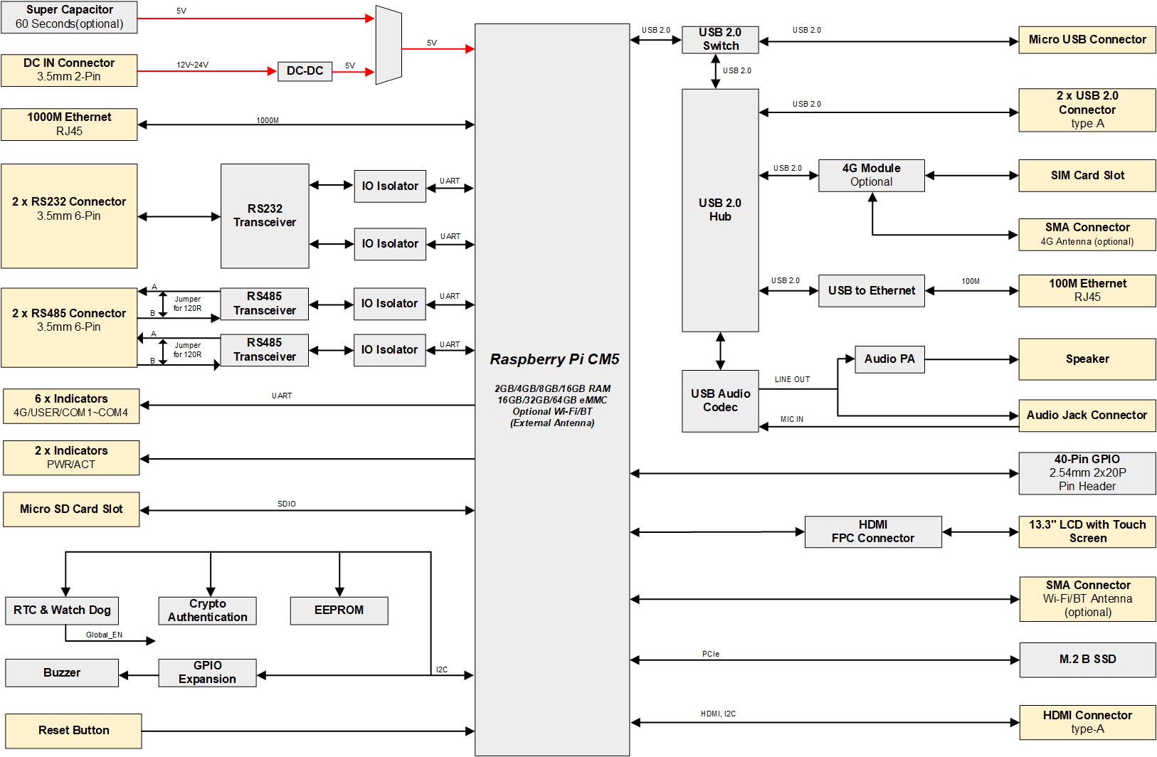
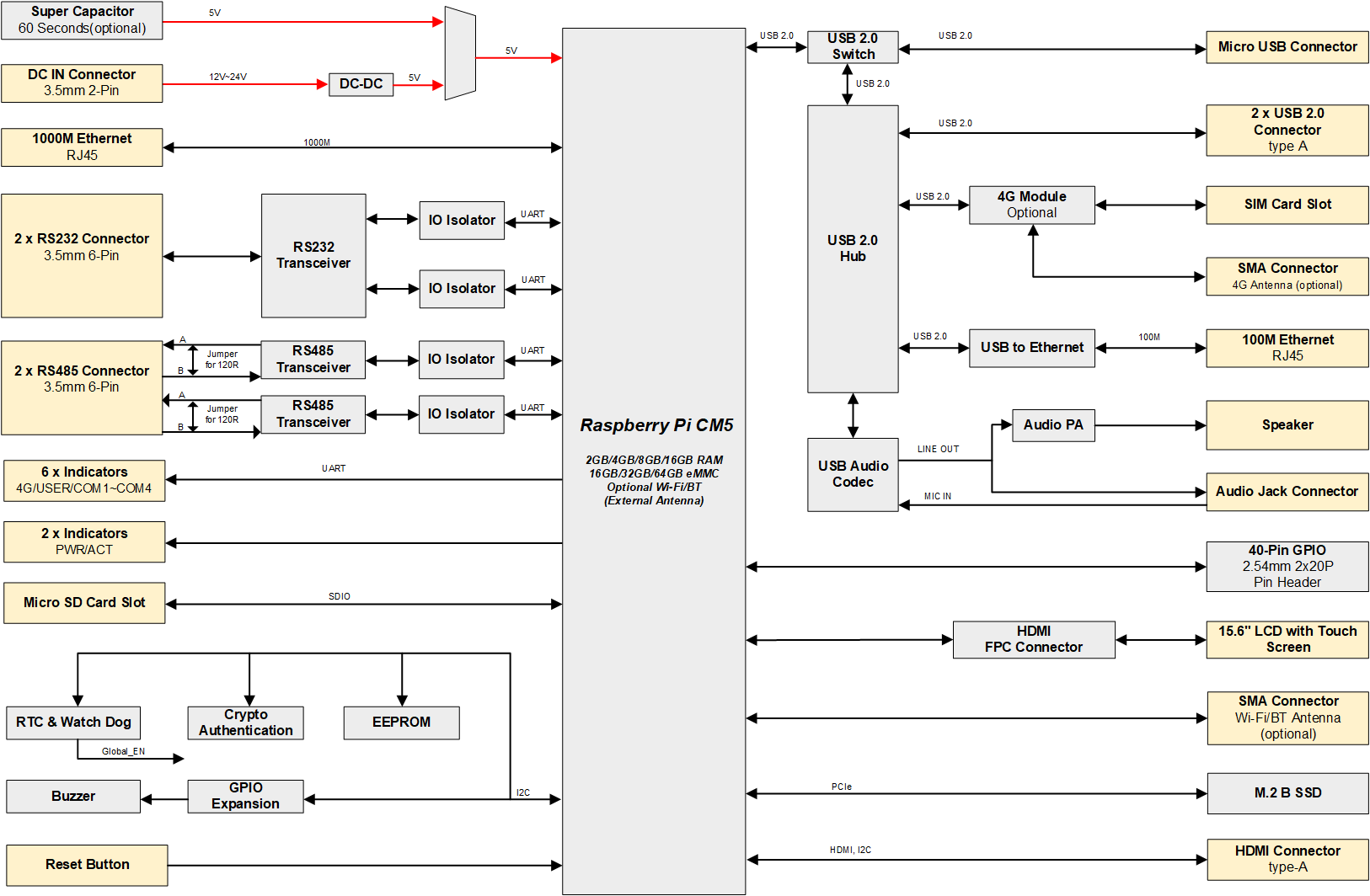
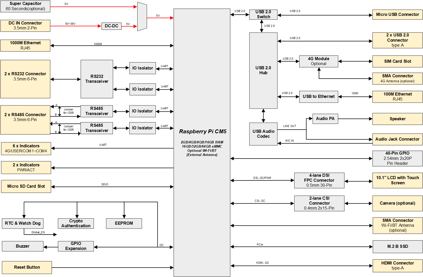
| Industrial Computing | High-performance edge processing and real-time control | - Quad-core Cortex-A76@2.4GHz (BCM2712) - 8GB DDR4 RAM + 64GB eMMC - Micro SD expansion |
| High-Density Connectivity | Direct integration with industrial systems | - 4× isolated RS232/RS485 (EMI-resistant) - Dual Ethernet (1Gbps + 100Mbps)- 2× USB 2.0 + HDMI output |
| Industrial-Grade Reliability | Built for unstable power and extreme conditions | - 9-36V DC wide voltage input (over-current/over-voltage/reverse polarity protection) - -20°C~60°C operation- IP65 front panel |
| High-Brightness Display | Glare-resistant touchscreens for challenging environments | - 7" (1024×600) / 10.1" (1280×800) TFT screens - 400cd/m² brightness - 10-point capacitive touch (6H hardened glass) |
| Flexible Deployment | Multi-mode installation for diverse scenarios | - VESA 75 mount + panel embedding - Aluminum alloy housing (vibration/shock resistant) |
Differentiation
✅ High-Density Industrial Interfaces: 4× isolated RS232/RS485 ports directly connect PLCs, sensors, and meters – eliminate 90% of expansion modules.
✅ Ultra-Wide Voltage Input: 9-36V DC compatibility handles unstable grids with reverse polarity protection, reducing downtime by 70%.
✅ Dual-Network Isolation: Physically separate 1Gbps (control) and 100Mbps (data) networks to prevent signal interference.
✅ All-Scenario Mounting: VESA 75 for racks + embedded panel installation enables 5-minute deployment in cabinets/workshops.
Typical Applications
🏭 Machinery Control: 4× RS485 interfaces for stamping robots, 1Gbps Ethernet syncs with MES, touchscreen monitors real-time OEE.
📡 Rail Transit HMI: 100Mbps Ethernet backhauls train telemetry, HDMI extends passenger info displays, wide voltage handles onboard power spikes.
⚡ Solar Farm Monitoring: RS232 collects inverter data, edge analytics optimizes output, 400cd/m² screen displays alerts under direct sunlight.
🔧 Port AGV Dispatch Hub: Dual-band Wi-Fi 5 controls AGV fleets, HDMI drives surveillance screens, alloy housing resists salt spray corrosion.
HS CODE
| HS CODE | COO |
| 8471504001 | CN |


En




