Raspberry Pi Zero 2 W is the latest addition to the Raspberry Pi family, offering a significant upgrade over its predecessor, the Raspberry Pi Zero W. This tiny single-board computer packs a punch with its new quad-core 64-bit ARM Cortex-A53 CPU running at 1GHz, which is integrated with 512MB of LPDDR2 SDRAM in a system-in-package (SiP) configuration known as RP3A0. This design not only saves space but also enhances performance, providing about 40% more single-threaded performance and up to five times more multi-threaded performance compared to the original Raspberry Pi Zero .
The Zero 2 W comes with onboard wireless capabilities, featuring 2.4GHz 802.11 b/g/n wireless LAN and Bluetooth 4.2, along with support for Bluetooth Low Energy (BLE). This allows the device to connect to Wi-Fi networks and Bluetooth devices effortlessly, making it an excellent choice for IoT projects and wireless applications .
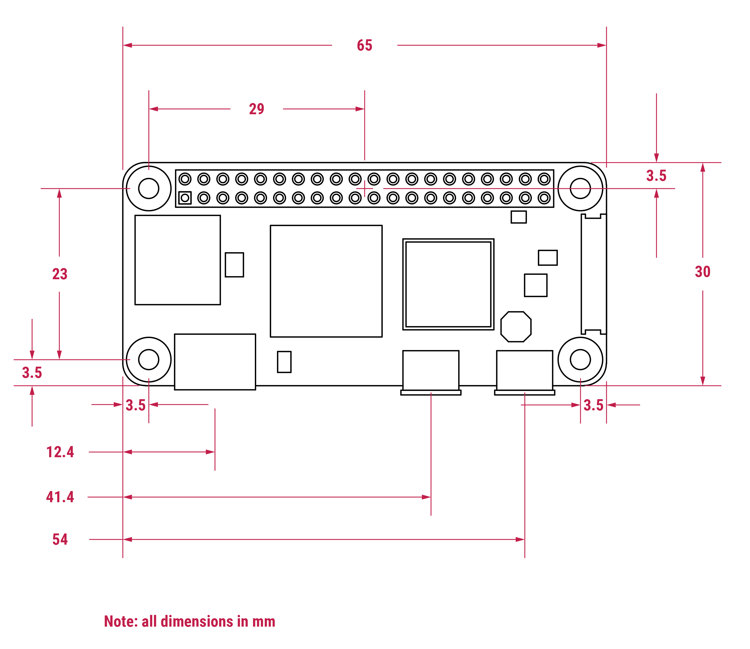
Despite its small form factor, measuring just 65mm by 30mm, the Zero 2 W is equipped with a mini HDMI port for video output, a micro USB 2.0 OTG port for data transfer and power supply, and a CSI-2 camera connector for attaching a Raspberry Pi camera module. It also has a microSD card slot for storage, which is a necessity given the lack of onboard storage .
One of the notable design improvements in the Zero 2 W is the use of a substantial internal copper layer that aids in heat dissipation, allowing the processor to run at peak performance without throttling . This feature is particularly important for small devices where heat management can be a challenge.
En

