

The Raspberry Pi Compute Module 5 (CM5) is a System on Module (SoM) containing processor, memory, eMMC Flash, and supporting power circuitry. These modules allow a designer to leverage the Raspberry Pi hardware and software stack in their own custom systems and form factors. In addition, these modules have extra IO interfaces over and above what is available on the Raspberry Pi boards, opening up more options for the designer.
The design of the CM5 is loosely based on the Raspberry Pi 5, and for cost-sensitive applications it can be supplied with‐out the eMMC fitted; this version is called the Raspberry Pi Compute Module 5 Lite (CM5Lite).
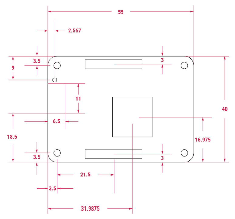
The new CM5 and CM5Lite are mostly compatible with the previous generation of compute module. The previous gener‐ation of compute modules are still for sale and will remain in production till at least January 2034. The electrical inter‐face of the CM5 is via two 100-pin high density connectors.
The main change in pinout is to support the addition of 2 USB 3.0 ports.
En










