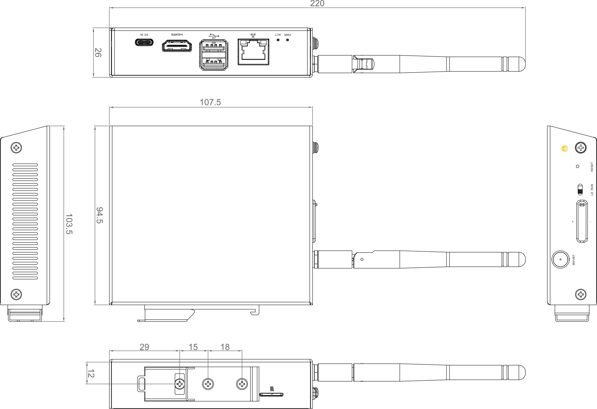
ED-IPC1000搭载了主频1GHz的四核64位Arm Cortex-A53处理器,性能均衡可靠;
在存储方面,配备了512MB SDRAM,并提供8GB或16GB的eMMC存储选项,灵活满足不同需求。
它支持2.4GHz Wi-Fi与蓝牙4.2无线连接,便于设备组网与数据传输。
在工业应用方面,还集成了RTC实时时钟和Watch Dog看门狗功能,并可安装CR2032电池作为RTC的备份电源,增强系统可靠性。
此外,设备采用USB Type-C 5V电源输入,并支持DIN导轨安装,供电简洁,部署便捷。
ED-IPC1000受到多家知名海外媒体的详尽测试和报道!点击链接了解更多:

中文
