1 硬件手册
本章介绍产品概述、包装清单、外观、按键、指示灯和接口等。
1.1 产品概述
ED-IPC1220是一款基于Raspberry Pi CM0的工业计算机,默认为512MB RAM,可选配8GB或16GB的eMMC。ED-IPC1220提供USB、Ethernet、RS232、RS485、DI/DO和ADC等常用的接口,且支持通过Wi-Fi、以太网和4G接入网络,集成RTC,主要应用于工业控制和物联网领域。

1.2 包装清单
- 1 x ED-IPC1220主机
- [选配Wi-Fi/BT版本] 1 x 2.4GHz Wi-Fi/BT天线
- [选配4G版本]1 x 4G天线
- 3 x 3-Pin凤凰端子
- 1 x 2-Pin带螺丝的凤凰端子
- 1 x 6-Pin的凤凰端子
- 4 x 5-Pin凤凰端子
1.3 产品外观
介绍各面板上接口的功能和定义。
1.3.1 前面板
介绍前面板接口类型和定义。

| 编号 | 功能定义 |
|---|---|
| 1 | 3 x 串口指示灯,绿色,用于查看串口的通信状态。
|
| 2 | 1 x 用户指示灯,绿色,用户可以根据实际需求自定义状态。 |
| 3 | 4 x DI指示灯(DI4~DI7),绿色,用于查看DI端口(DI4~DI7)的输入状态。 |
| 4 | 2 x ADV接口,3-Pin 3.5mm间距凤凰端子,连接外部传感器。 |
| 5 | 4 x DI接口(DI4~DI7),5-Pin 3.5mm间距凤凰端子,连接外部传感器。 |
| 6 | 4 x DO接口(DO4~DO7),5-Pin 3.5mm间距凤凰端子,连接外部负载。 |
| 7 | 2 x ADA接口,3-Pin 3.5mm间距凤凰端子,连接外部传感器。 |
| 8 | 4 x DO指示灯(DO4~DO7),绿色,用于查看DO端口(DO4~DO7)的输出状态。 |
| 9 | 1 x 100M以太网接口,RJ45接口,带有LED灯,10/100M自适应接口,用于接入以太网。 |
| 10 | 4 x DO接口(DO0~DO3),5-Pin 3.5mm间距凤凰端子,连接外部负载。 |
| 11 | 4 x DO指示灯(DO0~DO3),绿色,用于查看DO端口(DO0~DO3)的输出状态。 |
| 12 | 4 x DI接口(DI0~DI3),5-Pin 3.5mm间距凤凰端子,连接外部传感器。 |
| 13 | 4 x DI指示灯(DI0~DI3),绿色,用于查看DI端口(DI0~DI3)的输入状态。 |
| 14 | 1 x RS485接口(RS485-1),3-Pin 3.5mm间距凤凰端子,连接第三方控制器。 |
| 15 | 1 x 4G信号指示灯,红绿双色,用于查看4G信号的状态。 |
| 16 | 1 x 4G注网指示灯,红绿双色,用于查看4G模块注网的状态。 |
| 17 | 1 x 系统状态指示灯,绿色,用于查看系统读写数据的状态。 |
| 18 | 1 x 电源指示灯,红色,用于查看设备上电状态。 |
1.3.2 后面板
介绍后面板接口类型和定义。

| 编号 | 功能定义 |
|---|---|
| 1 | 1 x 导轨支架,通过支架将ED-IPC1220主机安装在DIN导轨上。 |
| 2 | 1 x Nano SIM卡槽(选配),用于安装获取4G信号的Nano SIM卡。 |
| 3 | 1 x Type-C USB接口,支持通过此接口对系统进行eMMC烧录。 |
1.3.3 侧面板
介绍侧面板接口类型和定义。

| 编号 | 功能定义 |
|---|---|
| 1 | 1 x 接地点,连接外部电源的大地。 |
| 2 | 1 x DC输入,2-Pin 3.5mm间距带螺丝孔的凤凰端子,支持9V~28V电源输入。 |
| 3 | 1 x RS485接口(RS485-2) + 1 x RS232接口,2x3-Pin 3.5mm间距凤凰端子,用于连接第三方控制器。 |
| 4 | 1 x USB 2.0接口,Type-A连接器,最高支持480Mbps传输速率。 |
| 5 | 1 x 复位按键,隐藏式按键,按下按键可重新启动设备。 |
| 6 | 1 x 用户按键,隐藏式按键,用户可以根据实际需求自定义动作。 |
| 7 | 1 x Wi-Fi/BT天线接口(选配),SMA接口,连接Wi-Fi/BT天线 |
| 8 | 1 x 4G天线接口(选配),SMA接口,连接4G天线。 |
1.4 按键
ED-IPC1220设备包含2个隐藏式按键,分别为RESET按键和USER按键,在外壳上的丝印为“RESET”和“USER”。
- RESET按键:按下RESET按键使设备复位,重新启动设备。
- USER按键:用户自定义按键,默认未配置动作,对应的GPIO引脚为GPIO25,支持用户自定义动作。
1.5 指示灯
介绍ED-IPC1220设备包含的指示灯的各种状态及含义。
| 指示灯 | 状态 | 描述 |
|---|---|---|
| PWR | 常亮 | 设备已上电 |
| 闪烁 | 设备电源异常,立即停止供电 | |
| 熄灭 | 设备未上电 | |
| ACT | 闪烁 | 系统启动成功且正在读写数据 |
| 熄灭 | 设备未上电或未读写数据 | |
| USER | 常亮 | 用户自定义 |
| 熄灭 | 设备未上电或用户未定义,默认状态为熄灭 | |
| 4GR | 红灯常亮 | SIM卡故障 |
| 红灯慢闪 | 4G模块正在初始化 | |
| 红灯快闪 | 4G模块已断开网络连接 | |
| 绿灯常亮 | 4G模块注网成功 | |
| 绿灯慢闪 | 4G模块流量正常 | |
| 熄灭 | 4G模块未工作 | |
| 4GS | 红灯常亮 | 4G模块无信号 |
| 绿灯常亮 | 4G模块信号正常 | |
| 红绿双色常亮 | 4G模块信号异常 | |
| 熄灭 | 4G模块未工作 | |
| 以太网口绿色指示灯 | 常亮 | 数据传输异常 |
| 闪烁 | 正在传输以太网数据 | |
| 熄灭 | 未接入以太网 | |
| 以太网口黄色指示灯 | 常亮 | 已正常接入以太网 |
| 闪烁 | 以太网连接异常 | |
| 熄灭 | 未接入以太网 | |
| COM1~COM3 | 常亮/闪烁 | 正在传输数据 |
| 熄灭 | 设备未上电或无数据传输 | |
| DI0~DI7 | 常亮/闪烁 | 检测到输入信号 |
| 熄灭 | 设备未上电或无数据传输 | |
| DO0~DO7 | 常亮/闪烁 | 检测到输出信号 |
| 熄灭 | 设备未上电或无数据传输 |
1.6 接口
介绍产品中各接口的定义和功能。
1.6.1 Nano SIM卡槽(选配)
ED-IPC1220设备包含1个Nano SIM卡槽,卡槽接口丝印为“ ”,用于安装获取4G信号的Nano SIM卡。
提示
若客户选配的产品不包含4G功能,则设备不包含Nano SIM卡槽。
1.6.2 电源接口
ED-IPC1220设备包含1路电源输入接口,使用2-Pin 3.5mm间距带螺丝孔的凤凰端子,接口丝印为“VIN+/GND”, 支持9V~28V的电源输入。
1.6.3 RS485/RS232接口
ED-IPC1220设备包含2路RS485接口和1路RS232接口,采用1个3-Pin 3.5mm间距的凤凰端子(1 x RS485)和1个2x3-Pin 3.5mm间距的凤凰端子(1 x RS485 + 1 x RS232),接口丝印为分别为“GND/A1/B1”、“GND/A2/B2”和“GND/TX3/RX3”,支持连接第三方控制器。
1.6.3.1 3-Pin 3.5mm间距的凤凰端子(1 x RS485)
端子引脚定义如下:
![]() | 引脚 | 定义 |
|---|---|---|
| 1 | GND | |
| 2 | A1(RS485-1_A) | |
| 3 | B1(RS485-1_B) |
其中RS485接口对应CM0的管脚名称如下:
| 信号 | CM0 GPIO |
|---|---|
| RS485-1_A | GPIO14 |
| RS485-1_B | GPIO15 |
1.6.3.2 2x3-Pin 3.5mm间距的凤凰端子(1 x RS485 + 1 x RS232)
端子引脚定义如下:
![]() | 引脚 | 定义 |
|---|---|---|
| 1 | GND | |
| 2 | A2(RS485-2_A) | |
| 3 | B2(RS485-2_B) | |
| 4 | GND | |
| 5 | TX3 | |
| 6 | RX3 |
其中RS485接口和RS232接口对应SPI管脚名称如下:
| 信号 | 对应的SPI引脚 |
|---|---|
| RS485-2_A | TX1 |
| RS485-2_B | RX1 |
| TX3 | TX2 |
| RX3 | RX2 |
1.6.3.3 连接线缆
RS232接线示意图如下:

RS485接线示意图如下:

RS485端电阻配置
ED-IPC1220设备包含2路RS485接口,在RS485线路的A和B之间预留120R跨接电阻,插入跳线帽可使能该跨接电阻。默认状态下未连接跳线帽,120R端接电阻功能失效。跨接电阻在PCBA中的位置为J11(RS485-1的跨接电阻)和J13(RS485-2的跨接电阻)。
提示
需要打开设备外壳才能查看120R跨接电阻的位置。
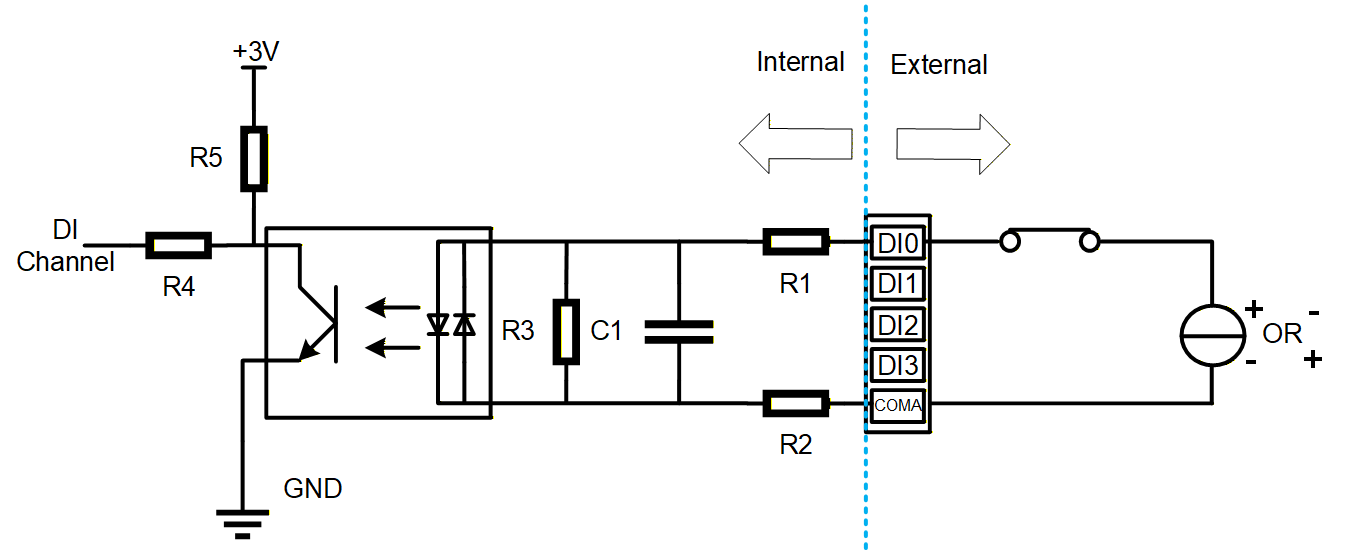
1.6.4 DI接口
ED-IPC1220设备包含8路DI接口,2个5-Pin 3.5mm间距的凤凰端子,支持连接外部传感器。
端子引脚定义如下:
![]() | 引脚 | 定义 |
| 1 | DI0 | |
| 2 | DI1 | |
| 3 | DI2 | |
| 4 | DI3 | |
| 5 | COMA | |
| 6 | DI4 | |
| 7 | DI5 | |
| 8 | DI6 | |
| 9 | DI7 | |
| 10 | COMC |
连接线缆
单路DI接口的接线示意图如下:

| 参数 | 说明 |
|---|---|
| 输入类型 | 湿接点(NPN) |
| 隔离保护 | 3.75kV |
| COM端 | 每4路DI共用一个公共端COM
|
| DI到COM |
|
1.6.5 DO接口
ED-IPC1220设备包含8路DO接口,2个5-Pin 3.5mm间距的凤凰端子,支持连接外部负载。
端子引脚定义如下:
![]() | 引脚 | 定义 |
| 1 | DO0 | |
| 2 | DO1 | |
| 3 | DO2 | |
| 4 | DO3 | |
| 5 | COMB | |
| 6 | DO4 | |
| 7 | DO5 | |
| 8 | DO6 | |
| 9 | DO7 | |
| 10 | COMD |
连接线缆
单路DO接口的接线示意图如下:

| 参数 | 说明 |
|---|---|
| 传感器类型 | NPN |
| 隔离保护 | 3.75kV |
| COM端 | 每4路DO共用一个公共端COM:
|
| 输出 | 5~30 VDC,推荐24 VDC,最大电流为0.2A (每通道) |
警告
如果DO通道外接感性负载,建议在电路中增加一个续流二极管(如下图所示)作为保护。请根据感性负载的规格来选择合适的续流二极管。

1.6.6 ADV接口
ED-IPC1220设备包含2路模拟量电压输入(ADV)接口,3-Pin 3.5mm间距的凤凰端子,支持连接外部传感器。
端子引脚定义如下:
![]() | 引脚 | 定义 |
| 1 | V0 | |
| 2 | V1 | |
| 3 | AGND |
连接线缆
单路ADV接口的接线示意图如下:

| 参数 | 说明 |
|---|---|
| 信号类型 | 电压输入(差分) |
| 输入电压范围 | 0~10V |
| 输入阻抗 | 10MΩ |
| 分辨率 | 12位 |
| 精度 | 在25°C时,±0.1% 满量程;在-20°C至60°C范围内,±0.3% 满量程 |
| 采样率 | 3KHz |
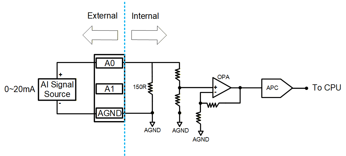
1.6.7 ADA接口
ED-IPC1220设备包含2路模拟量流输入(ADA)接口,3-Pin 3.5mm间距的凤凰端子,支持连接外部传感器。
端子引脚定义如下:
![]() | 引脚 | 定义 |
| 1 | A0 | |
| 2 | A1 | |
| 3 | AGND |
连接线缆
单路ADA接口的接线示意图如下:

| 参数 | 说明 |
|---|---|
| 信号类型 | 电流输入(差分) |
| 输入电流范围 | 0~20mA |
| 电流采样电阻 | 120Ω |
| 输入阻抗 | 10MΩ |
| 分辨率 | 12位 |
| 精度 | 在25°C时,±0.1% 满量程;在-20°C至60°C范围内,±0.3% 满量程 |
| 采样率 | 3KHz |
1.6.8 100M以太网接口
ED-IPC1220设备包含1路自适应10/100M以太网接口,接口丝印为“ ”,使用RJ45端子,接入以太网时建议采用Cat6及以上规格的网线配合使用。端子对应的引脚定义如下:
![]() | Pin ID | Pin Name |
|---|---|---|
| 1 | TX+ | |
| 2 | TX- | |
| 3 | Rx+ | |
| 4 | - | |
| 5 | - | |
| 6 | RX- | |
| 7 | - | |
| 8 | - |
1.6.9 USB 2.0接口
ED-IPC1200设备包含1路USB 2.0接口,接口丝印为“”,标准的Type-A接口。支持连接标准的USB 2.0外设,最大支持480Mbps的传输速率。
1.6.10 Type-C USB接口
ED-IPC1220设备包含1路Type-C USB接口,接口丝印为“PROGRAMMING”,支持通过连接PC对设备的eMMC进行烧录。
1.6.11 天线接口(选配)
ED-IPC1220设备包含2路SMA天线接口,接口丝印分别为“4G”和“WiFi/BT”,分别对应连接4G天线和Wi-Fi/BT天线。
提示
若客户选配的产品不包含4G功能和Wi-Fi功能,则设备不包含天线接口。







