1 硬件手册
本章介绍产品概述、CODESYS、组网方案、包装清单、外观、按键、指示灯、接口和超级电容等。
1.1 产品概述
ED-PAC3630是一款实时CODESYS可编程自动化控制器, 默认预装多核CODESYS运行时。根据不同的应用场景和用户需求,可选择2GB DDR + 16GB eMMC 或8GB DDR + 32GB eMMC的可编程逻辑系统。
警告
ED-PAC3630设备默认已预装CODESYS授权,重新安装操作系统会使CODESYS授权丢失,请勿自行安装操作系统。
ED-PAC3630提供HDMI、USB、Ethernet、RS232、RS485、DI、DO和CAN等常用的接口,集成超级电容备份电源、 RTC、Watch Dog、EEPROM和加密芯片,提升了产品的易用性和可靠性,主要应用于工业控制领域。
ED-PAC3630支持通过EtherCAT网络连接远端的耦合器、DI、DO、AI和AO等不同类型的I/O模块;集成CODESYS Control runtime System,支持IEC 61131-3编程标准和EtherCAT/Modbus TCP总线。用户可根据实际需要选配TargetVisu、WebVisu、Softmotion、CNC+Robotics、EtherCATMaster、Modbus TCP Master和OPC UA Server等不同功能的授权。

1.2 CODESYS软件介绍
CODESYS(Controller Development System)是一款开放式工业自动化软件开发平台,专为可编程逻辑控制器(PLC)、工业PC(IPC)及嵌入式控制系统的编程、调试与运维提供全栈解决方案。其遵循IEC 61131-3国际标准,支持复杂逻辑控制、多轴运动控制、工业通信协议集成及实时数据处理,广泛应用于智能制造、能源管理、物流自动化等领域。
CODESYS核心功能特性:
- 标准化编程语言支持
- 全面兼容 IEC 61131-3 五大编程语言:
- 梯形图(Ladder Diagram, LD)
- 功能块图(Function Block Diagram, FBD)
- 结构化文本(Structured Text, ST)
- 指令表(Instruction List, IL)
- 顺序功能图(Sequential Function Chart, SFC)
- 支持面向对象编程(OOP)扩展,适用于大型复杂项目开发。
- 全面兼容 IEC 61131-3 五大编程语言:
- 跨平台开发与部署
- 开发环境:支持Windows/Linux操作系统,提供统一的工程管理界面。
- 可部署于2000+种工业控制器硬件,包括ARM/X86架构设备。
- 模块化工程资源库
- 预置功能库:涵盖Modbus/TCP、OPC UA、EtherCAT等工业协议栈,以及PID控制、CNC插补算法等高级控制模块。
- 用户自定义库:支持功能块(Function Block)及POUs(Program Organization Units)的封装与复用。
- 可视化调试与诊断工具
- 实时监控变量、I/O映射及任务执行状态,支持波形图分析。
- 断点调试、单步执行及交叉引用查询功能,显著提升故障定位效率。
- 集成HMI开发工具,支持SCADA系统无缝对接。
ED-PAC3630支持CODESYS V3.5 SP19及以上版本。
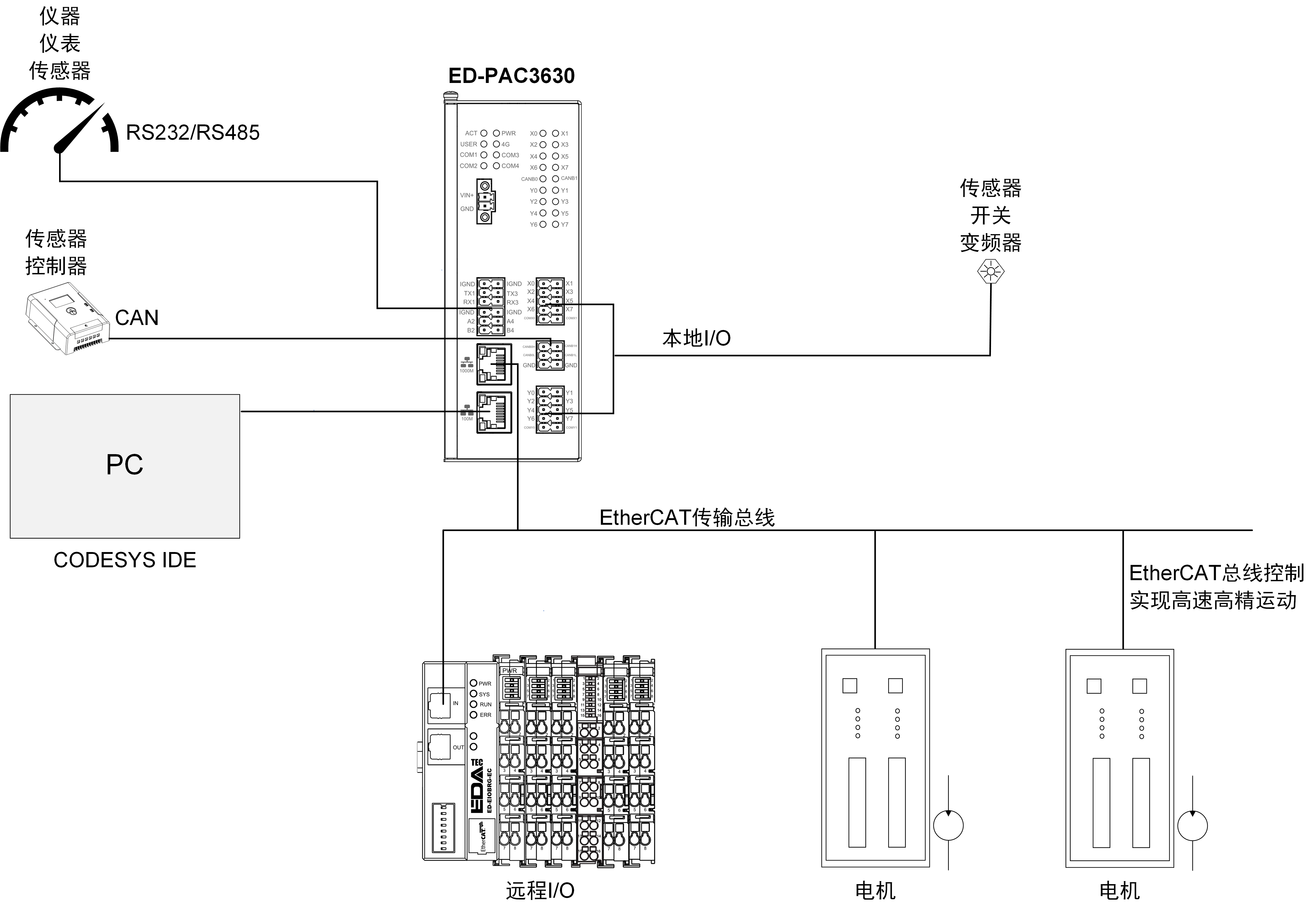
1.3 组网方案
ED-PAC3630具备EtherCAT、以太网、RS485、RS232、DI、DO和CAN接口,可实现多层次网络通信,能够满足多场景的应用需求。典型应用拓扑如下图所示:

1.4 包装清单
- 1 x ED-PAC3630主机
1.5 产品外观
介绍各面板上接口的功能和定义。
1.5.1 前面板
介绍前面板接口类型和定义。

| 编号 | 功能定义 |
|---|---|
| 1 | 4 x 串口指示灯,绿色,用于查看串口的通信状态。 |
| 2 | 1 x 用户指示灯,绿色,用户可以根据实际需求自定义状态。 |
| 3 | 1 x 系统状态指示灯,绿色,用于查看系统读写数据的状态。 |
| 4 | 1 x 电源指示灯,红色,用于查看设备上电状态。 |
| 5 | 1 x 4G指示灯,绿色,此处仅为预留的指示灯。 |
| 6 | 8 x DI指示灯,绿色,用于查看DI的通信状态。 |
| 7 | 2 x CAN指示灯,绿色,用于查看CAN的通信状态。 |
| 8 | 8 x DO指示灯,绿色,用于查看DO的通信状态。 |
| 9 | 8 x DI接口,5-Pin 3.5mm间距凤凰端子,用于连接第三方传感器。 |
| 10 | 2 x CAN接口,3-Pin 3.5mm间距凤凰端子,用于接入第三方控制设备。 |
| 11 | 8 x DO接口,5-Pin 3.5mm间距凤凰端子,用于第三方负载。 |
| 12 | 1 x 100M以太网接口,RJ45端子,10/100M自适应接口,用于接入以太网。 |
| 13 | 1 x 1000M以太网接口,RJ45端子,EtherCAT通信接口,可接入EtherCAT网络。 |
| 14 | 2 x RS485接口,6-Pin 3.5mm间距凤凰端子,用于连接第三方控制设备。 |
| 15 | 2 x RS232接口,6-Pin 3.5mm间距凤凰端子,用于连接第三方控制设备。 |
| 16 | 1 x DC输入,2-Pin 3.5mm间距带螺丝孔的凤凰端子,支持9V~36V输入。 |
1.5.2 后面板
介绍后面板接口类型和定义。

| 编号 | 功能定义 |
|---|---|
| 1 | 1 x 导轨支架,通过支架将ED-PAC3630主机安装在导轨上。 |
| 2 | 1 x Micro USB接口,支持通过此接口对系统进行eMMC烧录。 注:ED-PAC3630设备默认已预装CODESYS授权,重新安装操作系统会使CODESYS授权丢失,请勿自行安装操作系统。 |
| 3 | 1 x Nano SIM卡槽,此处仅为扩展4G功能的预留卡槽。 |
| 4 | 1 x Micro SD卡槽,支持安装Micro SD卡,用于存储用户数据。 |
1.5.3 侧面板
介绍侧面板接口类型和定义。

| 编号 | 功能定义 |
|---|---|
| 1 | 1 x 复位按键,隐藏式按键,按下按键可重新启动设备。 |
| 2 | 2 x USB 2.0,Type-A接口,每一路最高支持480Mbps传输速率。 |
| 3 | 1 x HDMI,Type-A接口,兼容HDMI 2.0,分辨率支持4K 60Hz,支持连接显示器。 |
1.6 按键
ED-PAC3630设备包含1个RESET按键,该按键为隐藏式按键,在外壳上的丝印为“RESET”, 按下RESET按键使设备复位。
1.7 指示灯
介绍ED-PAC3630设备包含的指示灯的状态及含义。
| 指示灯 | 状态 | 描述 |
|---|---|---|
| PWR | 常亮 | 设备已上电 |
| 闪烁 | 设备电源异常,立即停止供电 | |
| 熄灭 | 设备未上电 | |
| ACT | 闪烁 | 系统启动成功且正在读写数据 |
| 熄灭 | 设备未上电或未读写数据 | |
| USER | 常亮 | 用户自定义 |
| 熄灭 | 设备未上电或用户未定义,默认状态为熄灭 | |
| 以太网口黄色指示灯 | 常亮 | 数据传输异常 |
| 闪烁 | 正在传输以太网数据 | |
| 熄灭 | 未接入以太网 | |
| 以太网口绿色指示灯 | 常亮 | 已正常接入以太网 |
| 闪烁 | 以太网连接异常 | |
| 熄灭 | 未接入以太网 | |
| COM1~COM4 | 常亮/闪烁 | 正在传输数据 |
| 熄灭 | 设备未上电或无数据传输 | |
| X0 ~ X7 | 常亮/闪烁 | 检测到输入信号 |
| 熄灭 | 设备未上电或无数据传输 | |
| CANB0 ~ CANB1 | 常亮/闪烁 | 正在传输数据 |
| 熄灭 | 设备未上电或无数据传输 | |
| Y0 ~ Y7 | 常亮/闪烁 | 检测到输出信号 |
| 熄灭 | 设备未上电或无数据传输 |
1.8 接口
介绍产品中各接口的定义和功能。
1.8.1 SD卡槽
ED-PAC3630设备包含1个Micro SD卡槽,Micro SD卡槽接口丝印为“”,支持安装Micro SD卡,用于存储用户数据。
1.8.2 电源接口
ED-PAC3630设备包含1路电源输入,2-Pin 3.5mm间距的凤凰端子,接口丝印为 “VIN+/GND”,引脚定义如下。
![]() | Pin ID | Pin Name |
| 1 | GND | |
| 2 | 9V~36V |
1.8.3 RS485/RS232接口
ED-PAC3630设备包含2路RS485接口和2路RS232接口。RS485单路接口丝印为 “IGND/A/B”, RS232单路丝印为 “IGND/TX/RX”,端子的间距为3.5mm。
引脚定义
端子引脚定义如下:
![]() | Pin ID | Pin Name |
|---|---|---|
| 1 | RS485-2_B | |
| 2 | RS485-4_B | |
| 3 | RS485-2_A | |
| 4 | RS485-4_A | |
| 5 | GND | |
| 6 | GND | |
| 7 | RS232-1_RX | |
| 8 | RS232-3_RX | |
| 9 | RS232-1_TX | |
| 10 | RS232-3_TX | |
| 11 | GND | |
| 12 | GND |
其中RS485/RS232接口对应CM5的管脚名称如下:
| Signal | CM5 GPIO Name | CM5 Pin Out |
|---|---|---|
| RS485-2_B | GPIO13 | UART5_RXD |
| RS485-4_B | GPIO9 | UART4_RXD |
| RS485-2_A | GPIO12 | UART5_TXD |
| RS485-4_A | GPIO8 | UART4_TXD |
| RS232-1_RX | GPIO5 | UART4_RXD |
| RS232-3_RX | GPIO1 | UART2_RXD |
| RS232-1_TX | GPIO4 | UART3_TXD |
| RS232-3_TX | GPIO9 | UART2_TXD |
连接线缆
RS485接线示意图如下:

RS232接线示意图如下:

RS485端电阻配置
ED-PAC3630包含2路RS485接口,在每一路RS485线路的A和B之间预留120R跨接电阻,插入跳线帽可使能该跨接电阻。默认状态下未连接跳线帽,120R端接电阻功能失效。
2路RS485的120R端接电阻在PCBA中的位置以及对应的COM口的关系如下表。
| PCBA中的位置 | 对应的COM口 | 对应COM的具体位置 |
|---|---|---|
| J24 | COM4 | ![]() |
| J22 | COM2 |
提示
需要打开设备外壳才能查看120R跨接电阻的位置。
1.8.4 DI接口
ED-PAC3630设备包含8路DI接口。每4路DI共用1个公共端COM,X0、X2、X4和X6共用COMX0,X1、X3、X5和X7共用COMX1。
端子引脚定义如下:
![]() | Pin ID | Pin Name |
| 1 | X0 | |
| 2 | X1 | |
| 3 | X2 | |
| 4 | X3 | |
| 5 | X4 | |
| 6 | X5 | |
| 7 | X6 | |
| 8 | X7 | |
| 9 | COMX0 | |
| 10 | COMX1 |
连接线缆
单路DI接口的接线示意图如下:

| 参数 | 说明 |
|---|---|
| 输入类型 | NPN和PNP |
| 隔离保护 | 5kV |
| COM端 | 每4路DI共用一个公共端COM
|
| DI到COM |
|
1.8.5 DO接口
ED-PAC3630设备包含8路DO接口。每4路DI共用1个公共端COM,Y0、Y2、Y4和Y6共用COMY0,Y1、Y3、Y5和Y7共用COMY1。
端子引脚定义如下:
![]() | Pin ID | Pin Name |
| 1 | Y0 | |
| 2 | Y1 | |
| 3 | Y2 | |
| 4 | Y3 | |
| 5 | Y4 | |
| 6 | Y5 | |
| 7 | Y6 | |
| 8 | Y7 | |
| 9 | COMY0 | |
| 10 | COMY1 |
连接线缆
单路DO接口的接线示意图如下:

| 参数 | 说明 |
|---|---|
| 输出类型 | 晶体管 |
| 隔离保护 | 5kV |
| COM端 | 每4路DO共用一个公共端COM:
|
| 输出 | 5~30 VDC,推荐24 VDC,最大电流为1.5A(每通道) |
警告
如果DO通道外接感性负载,建议在电路中增加一个续流二极管(如下图所示)作为保护。请根据感性负载的规格来选择合适的续流二极管。

1.8.6 CAN接口
ED-PAC3630设备包含2路CAN接口,端子引脚定义如下:
![]() | Pin ID | Pin Name |
| 1 | CANB0H | |
| 2 | CANB1H | |
| 3 | CANB0L | |
| 4 | CANB1L | |
| 5 | GND | |
| 6 | GND |
连接线缆
CAN接口的接线示意图如下:

1.8.7 1000M以太网接口(EtherCAT接口)
ED-PAC3630设备包含1路自适应10/100/1000M以太网接口,接口丝印为""。使用RJ45端子,默认配置为EtherCAT通信接口,支持接入EtherCAT网络。接入以太网时建议使用Cat6及以上规格的网线。
1.8.8 100M以太网接口
ED-PAC3630设备包含1路自适应10/100M以太网接口,接口丝印为""。使用RJ45端子,接入以太网时建议使用Cat6及以上规格的网线。
1.8.9 HDMI接口
ED-PAC3630设备包含1路HDMI接口,接口丝印为“HDMI”,标准的Type-A接口。支持连接HDMI显示器,最大支持4Kp60的视频输出。
1.8.10 USB 2.0接口
ED-PAC3630设备包含2路USB 2.0接口,接口丝印为“”,标准的Type-A接口。支持连接标准的USB 2.0外设,最大支持480Mbps的传输速率。
1.8.10 Micro USB接口
ED-PAC3630设备包含1路Micro USB接口,接口丝印为“PROGRAMMING”,可以连接PC对设备的eMMC进行烧录。
警告
ED-PAC3630设备默认已预装CODESYS授权,重新安装操作系统会使CODESYS授权丢失,请勿自行安装操作系统。
1.9 超级电容
ED-PAC3630支持超级电容备份电源模块,具备完善的安全关机保护机制。
- 当设备在超级电容已满电的情况下意外断电,系统可自动切换至超级电容供电,维持设备继续正常运行,直至电容电量耗尽后自动安全关机,有效避免运行中断与数据丢失。
- 设备提供用户可自定义的应急脚本,支持预先配置关键数据的保存、备份或其他应急处理流程。在断电瞬间,系统将自动执行预设脚本,确保重要操作得以完成,从容应对突发断电情况。
提示
- 自定义超级电容相关参数的具体操作,请参见AN18 超级电容使用指南。
- 超级电容需要在设备上电至少五分钟后才能充满电,充满电后才能保证功能的正常使用。






