ED-LENS-M12-230325-12
1/2.3" 12 Megapixel wide range M12 lens
Overview
ED-LENS-M12-230325-12 lens can be used on various cameras with M12 interfaces. This 3.25mm M12 lens provides an 88.5° Horizontal Field of View on 1/2.3" sensors.

Specifications
| Resolution | 12 Megapixel | ||||
| Optical format | 1/2.3" | ||||
| Image Circle | Φ8.3 | ||||
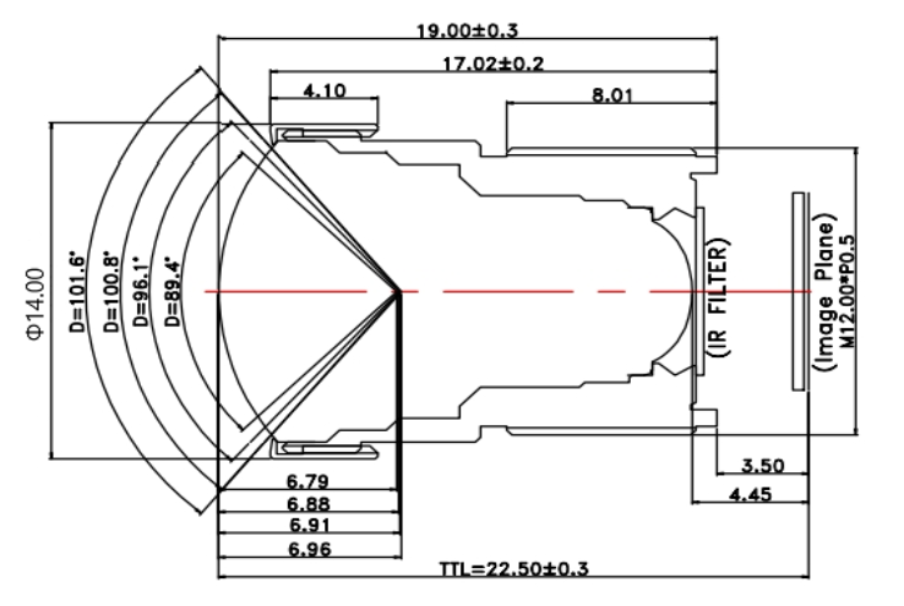
| TTL (Total Track Length) | 22.50mm | ||||
| EFL (Effective Focal Length) | 3.25mm | ||||
| Aperture | F2.6 | ||||
| Mount | M12×P0.5 | ||||
| FOV (Field of View) DxHxV | 1/2.3"(IMX577) | 1/2.5"(JK-K08) | 1/2.8"(IMX415) | 1/3.06"(IMX458) | |
| D | 101.6° | 96.1° | 89.4° | 84.4° | |
| H | 88.5° | 87.9° | 81.2° | 71.7° | |
| V | 71.6° | 56.2° | 51° | 56° | |
| TV Distortion | <-0.6% | <-0.55% | <-0.3% | < 0.33% | |
| CRA (Chief Ray Angle) | < 19.3° | < 17.33° | < 15.6° | < 14.4° | |
| Relative Illuminance | >59% | >66.15% | >72.98% | >77.22% | |
| MOD (Minimum Object Distance) | 0.3m | ||||
| BFL (Back Focal Length) | 4.45mm | ||||
| MBF (Mechanical Back Focal) | 3.50mm | ||||
| Structure | 4G2P | ||||
| Operation | Focus | Manual | |||
| Iris aperture | Fixed | ||||
| Dimension (mm) | Φ14×19 | ||||
| Weigh (g) | 6 | ||||
| Working Temperature | -30ºC to +75ºC | ||||
Mechanical Drawing

| Unit | mm | |||
| Size Tolerance | 0-10±0.05, 10-30±0.1, 30-120±0.2 | |||
| Angle Tolerance | ±2° | |||
Actual Photo
Below picture was taken by camera module with this lens in the lab, it just gives a reference about the Field of View and resolution of the lens, it may be different with the pictures taken in different light environment and other different conditions.

Ordering Code

Selection Guide
More details about Ordering Code, please check Selection Guide.
